组合旋转平台

组合旋转平台 — 二维AB轴旋转模块
具有高精度.重量轻、体积小、传动比范围大、效率高、运转平稳、噪声低适应性强等特点。

·直角转角器直连系列,配有直连的转角器,可以实现电机水平方向安装

·与ITN系列搭配转角器相比,轴向尺寸更短,结构更紧凑·旋转面可直接连接工作零件,提升安装方便性

·高精度,回程间隙1arcmin

·中空式的设计,配线配管都方便使用



资料下载

电子样册 / 2D+3D图纸

产品规格
85-60
85-85
130-85
200-130
产品详细

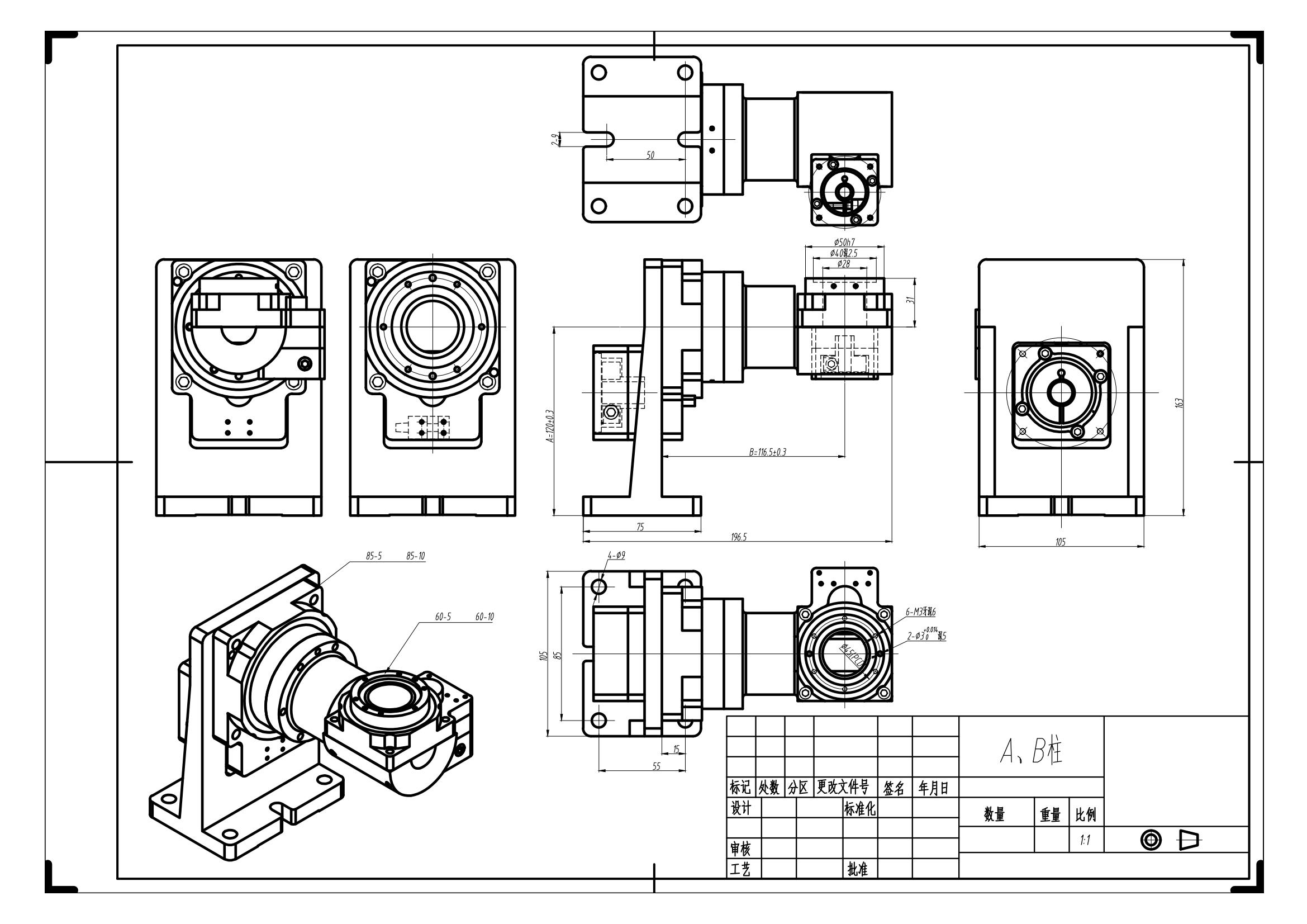
A-B柱(TS130+TS85)_00.jpg

AB柱KNS85+60(2D)_00.jpg


资料下载
联系方式
  • 手机:

    15622913700(姚经理 微信同)

  • 邮箱:

    18666443227@qq.com

  • 地址:

    广东省东莞市南城白马黄金一路2号 国宁科技园

微信客服
微信客服
抖音号
与我们取得联系
给我们留言,专属专员一对一专业服务
带*为必填项
姓名*
手机*
邮箱
微信
备注内容

Copyright © 2024 深圳市惠飞达科技有限公司 粤ICP备2021077564号

  • 首页
  • 免费热线
  • 在线咨询
  • 在线留言
  • 返回顶部
  • 与我们取得联系
    专属专员一对一服务响应
    24小时电话
    18666443227
    微信专属客服
    微信公众号
    抖音号
    带*为必填项
    姓名*
    手机*
    邮箱
    微信
    公司名称*
    选择身份